| 注意:访问本站需要Cookie和JavaScript支持!请设置您的浏览器! • 打开购物车 • 查看留言 • 付款方式 • 联系我们 |
![]() |
| 首页 | 电子入门 | 学单片机 | 免费资源 | 下载中心 | 商品列表 | 象棋在线 | 在线绘图 | 加盟五一 | 加入收藏 | 设为首页 |
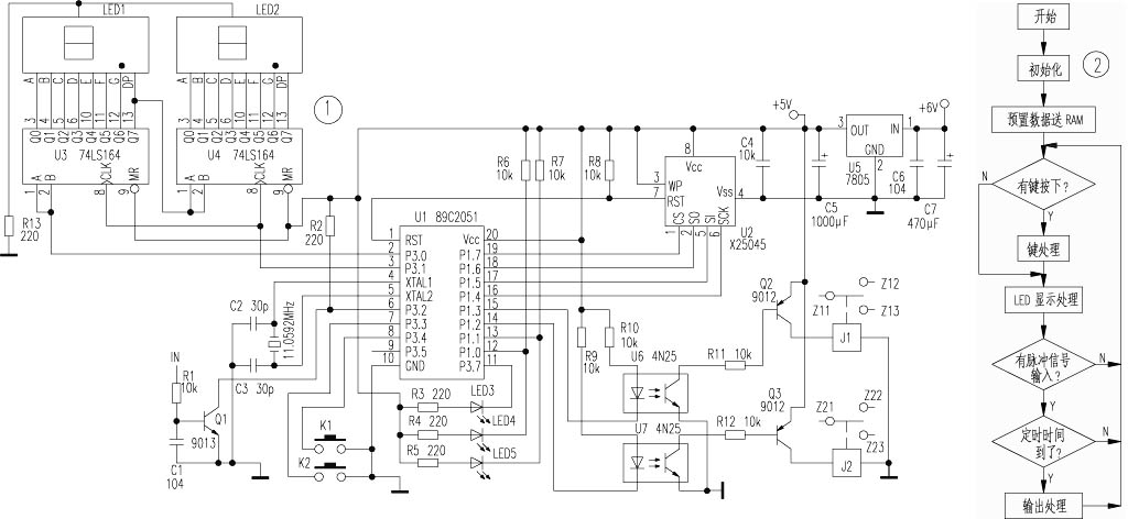
| 选择分类:当前分类——学单片机 相关联或者相类似的文章: 湿度传感器的发展趋势(250) 温控器的编程 (214) 一个电子钟的程序(206) 带时间显示的电机正反转控制电路(200) 自制PIC16F84单片机学习套件(170) Easy 51Pro 单片机编程器的制作与使用(112) 三菱FX系列PLC编程口通信协议总览(99) 三菱梯型图 PLC指令详解 (99) 三菱 PLC梯型图(指令编码)反汇编程序-----开源 PLC 编程重点参考资料 (99) AT89C系列单片机加密方式(94) 用DS1302+AT89C2051控制的红外遥控LED电子钟(26) Keil C51软件的安装与使用(20) 五一单片机导购以及光盘大合并!(6) 用AVR单片单片机建立实验应用全过程(4) 跟我来作EZ编程器(-71) 市售51系列单片机在线仿真器制作资料大揭密(-82) 用单片机控制字符型液晶显示模块(-247) 学习单片机的另一种快速学习方法(-588) 首页 前页 后页 尾页 本站推荐: | 带时间显示的电机正反转控制电路 2003年,第6期,类别:智能电子 在工业控制及日常生活用品中,经常会遇到要求驱动电机先正转一段时间再反转一段时间,然后又正转一段时间再反转一段时间,周而复始循环运转的情况。在要求定时精度较高和必须显示定时时间,特别是需要经常调整运行时间时,机械或电子式定时机构就力不从心了。本文介绍用单片机控制电机正反转的电路,其特点如下: 1、 本站不保证以上观点正确,就算是本站原创作品,本站也不保证内容正确。 2、如果您拥有本文版权,并且不想在本站转载,请书面通知本站立即删除并且向您公开道歉! |
|
本站协议 |
版权信息 |
关于我们 |
本站地图 |
营业执照 |
发票说明 |
付款方式 |
联系方式
深圳市宝安区西乡五壹电子商行——粤ICP备16073394号-1;地址:深圳西乡河西四坊183号;邮编:518102 E-mail:51dz$163.com($改为@);Tel:(0755)27947428 工作时间:9:30-12:00和13:30-17:30和18:30-20:30,无人接听时可以再打手机13537585389 |